We create schematics and PCB layouts for all tester solutions we offer. Our software of choice is EAGLE Schematic and Layout version 7.7.
We also offer schematic capture and PCB layout services for customers who require such services. If needed, we develop custom libraries for any specialized components customer wants to use in their designs. For such projects, deliverables include complete set of schematic and layout files, any custom developed libraries, as well as complete set of CAM files (Gerber and drill). If requested, we can also procure and provide actual PCBs (we use both US and abroad board houses for PCB manufacturing).
Examples of PCB projects we completed
Arduino MEGA multipurpose shield

Schematic 
Layout 
PCB
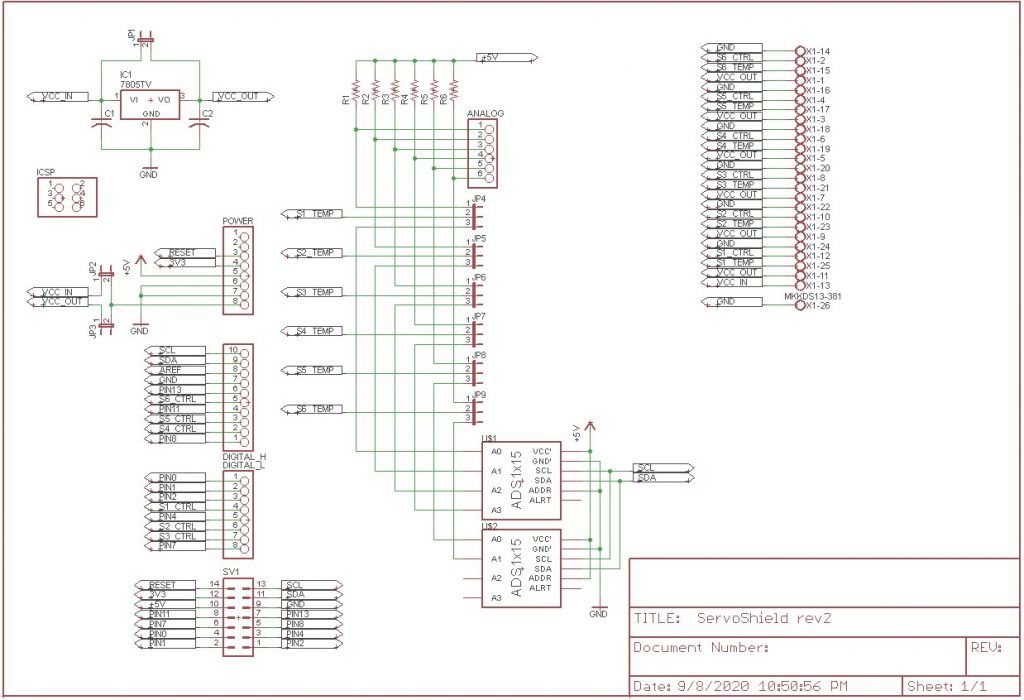
Arduino UNO 6-channel AD shield with AD1115 for CU Boulder Sounding Rocket Laboratory (www.soundingrocketlab.com)

Schematic 
Layout 
PCB 
Complete assembly
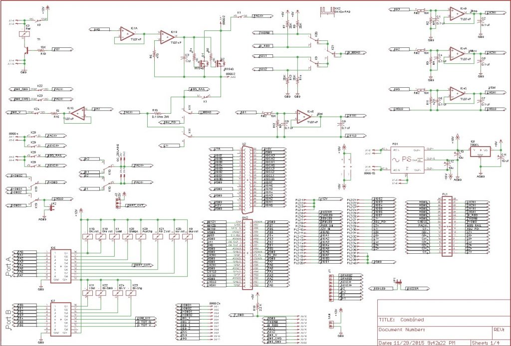
PCBA Tester internal circuitry

Main board schematic 

Layout 
Main board PCB 
Cell sim PCB
EOL tester circuitry

Schematic 
Layout 
PCB
